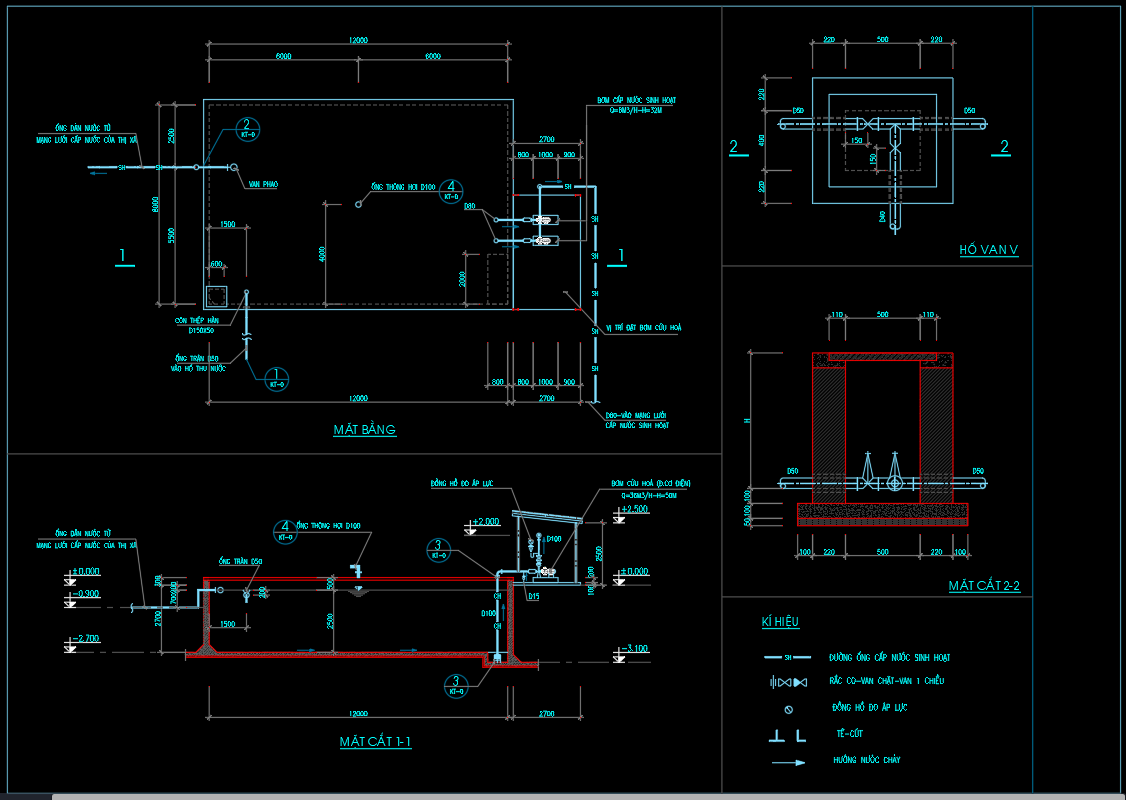
Bản vẽ tham khảo chi tiết cấp thoát nước và Trạm xử lý nước thải
+ Tham gia nhóm Zalo chia sẻ tài liệu
+ Zalo hỗ trợ 0912.07.64.66 bạn cần tìm tài liệu gì nhắn tin zalo này
+ Xem thêm: Tài liệu Miễn Phí
Tác giả: Sưu tầm
Định dạng: pdf / word / excel / cad…
Mã sản phẩm: HSXD86509
Link tải tài liệu:
🔐 Lấy mật khẩu tài liệu cuối bài viết.
Bản vẽ autocad tham khảo chi tiết cấp thoát nước và Trạm xử lý nước thải. Các bạn tải về kham khảo sử dụng

Danh sách khóa học hay mà bạn nên tham gia:
| STT | Danh sách khóa học | Link khóa học |
|---|---|---|
| 1 | Full Kho tài liệu xây dựng 30GB | CHI TIẾT TÀI LIỆU |
| 2 | Thư viện Sketchup khổng lồ 900 Gb | CHI TIẾT TÀI LIỆU |
| 3 | Combo 4 khóa học Sketchup cơ bản và nâng cao | CHI TIẾT TÀI LIỆU |
| 4 | Commbo tài liệu học 80 khóa học REVIT - TELKA - ETAP - SAP - BIM ... | CHI TIẾT TÀI LIỆU |
| 5 | Combo khóa học Autocad cơ bản và nâng cao | CHI TIẾT TÀI LIỆU |
| 6 | Combo 15 khóa học Revit từ cơ bản đến nâng cao | CHI TIẾT TÀI LIỆU |
| 7 | Combo 7 khóa học Photoshop thực chiến từ nền tảng đến chuyên sâu | CHI TIẾT TÀI LIỆU |
| 8 | Combo 8 khóa học tinh học văn phòng từ cơ bản đến nâng cao | CHI TIẾT TÀI LIỆU |
| 9 | Khóa học Etabs - Safe | CHI TIẾT TÀI LIỆU |
| 10 | Khóa học họa viên kiến trúc | CHI TIẾT TÀI LIỆU |
| 11 | Tổng hợp mẫu nhà đẹp năm 2025 | CHI TIẾT TÀI LIỆU |
| 12 | Phần mềm Lập và Quản lý hồ sơ chất lượng AZHOME | CHI TIẾT TÀI LIỆU |
| 13 | Phần mềm Lisp Hỗ trợ thiết kế đường | CHI TIẾT TÀI LIỆU |
| 14 | Phần mềm tiện ích XDAddins Excel PRO | CHI TIẾT TÀI LIỆU |
| 15 | Combo 7 khóa học dự toán – dự thầu – thanh quyết toán giá 199K | CHI TIẾT TÀI LIỆU |
| 16 | Full 9 khóa học thiết kế xây dựng dân dụng – Giá 199K | CHI TIẾT TÀI LIỆU |
🔐 Lấy mật khẩu tài liệu
Bạn không biết Tải Tài Liệu như thế nào ? 👉 Xem Cách Tải 👉
HỒ SƠ XÂY DỰNG TRÊN FACEBOOK
►Group Facebook Hồ Sơ Xây dựng : https://www.facebook.com/groups/hosoxaydung
►Group Facebook Thư viện xây dựng : https://www.facebook.com/groups/tailieunganhxd
►Group Kho bản vẽ - Thiết kế nhà đẹp : https://www.facebook.com/groups/khobanve
►Group 999 Mẫu nhà đẹp 2024 : https://www.facebook.com/groups/999nhadep
HỒ SƠ XÂY DỰNG TRÊN ZALO
Link nhóm Zalo Hồ Sơ Xây Dựng : https://bit.ly/zalohosoxd
►Link nhóm Zalo Tài liệu Xây dựng : https://bit.ly/zalotaileuxd
►Link nhóm Zalo Hiệp hội nhà thầu Việt Nam: https://bit.ly/zalonhathauvn
►Nhà thầu Xây dựng-Kiến trúc-Cơ Điện-Nội Thất: https://bit.ly/nhathauuytin
►Group Biện pháp thi công XDDD và CN: https://zalo.me/g/qvkyso862
►Group Biện pháp thi công Cầu đường - Thủy lợi: https://zalo.me/g/hyzzqm273
►Group Bản vẽ thiết kế XDDD-CN: https://zalo.me/g/luldrt443
►Group Bản vẽ thiết kế Cầu đường - Thủy lợi:https://zalo.me/g/ubdlaz229



